Thân khóa cho phòng tắm
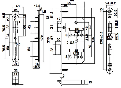
Khoảng cách từ cạnh cửa đến tâm lỗ ruột khoá: 55 mm
Khoảng cách từ tâm lỗ trục tay nắm đến tâm lỗ ruột khoá: 78 mm
Vật liệu: Mặt khóa Inox 304
Hoàn thiện: Inox mờ



